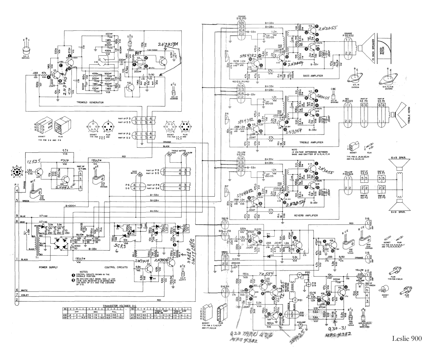
LESLIE MODEL 900

 

Leslie model 900 is een één kanaals Leslie met ingebouwde reverb, die bestaat uit 2 (!) delen. Deze Leslie werd geintroduceerd in 1969 en was de eerste van wat de "PRO-LINE" Leslie's werd genoemd
Ten tijde van de introduktie werd deze Leslie met "PRO 900 " aangeduid. Deze grote box 
was bedoeld om met een pre-amp op portable orgels en keyboards te worden aangesloten. Uiteraard was het te doen om meer vermogen uit een Leslie te realiseren.

Wel een beetje vreemd was, DAT DE BASS ROTOR GEEN "SLOW-SPEED" HAD.
Dus als beide rotors in de fast (tremolo) mode snel draaiden en vervolgens in de slow (chorale) mode gezet werden, dan ging de treble bovenrotor langzaam draaien, terwijl de onder (Bass) rotor stil gaat staan. Waarom is tot op de huidige dag een vraag....
Kennelijk zwierven er bij de R&D van Leslie ook vreemde geesten.......

Hier eerst de specs: 

  • Height 54.5 inches.
  • Width 28.25 inches.
  • Depth 20.5 inches.
  • Has 2 rotors and 4 speakers.
  • Accepts 1 channel from the source.
  • The amp. provides 100 Watts of RMS power.
  • A 9 pin connector:
    1. Audio Ground
    2. Flute/Tibia audio
    3. No Connection
    4. Main/Stationary audio
    5. 29 VDC for control head
    6. Fast Motor Control
    7. Slow Motor Control
    8. AC power Return
    9. AC Power Hot
  • Leslie recomends it for use with most Combo organs.
  • Has a reverb system inside.
  • Has a Space Generator audio processor.
  • Has an internal Pre-amp.
  • Has a tolex covered portable style cabinet.

 

 

Even een héérlijke goeie ouwe:
https://www.youtube.com/watch?v=FepXqoc_Hrs