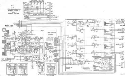
Over Leslie 750 is uitzonderlijk weinig bekend. Het is een flinke Leslie met veel kracht en luxe aan boord en beschikt over veel regel mogelijkheden en inputs.
Op deze website plaatsen we cookies die de website goed laten werken of anoniem het gebruik van onze website analyseren.
We plaatsen geen cookies waar u toestemming voor moet geven. Meer informatie vindt u in onze privacyverklaring of geef akkoord en sluit deze melding.