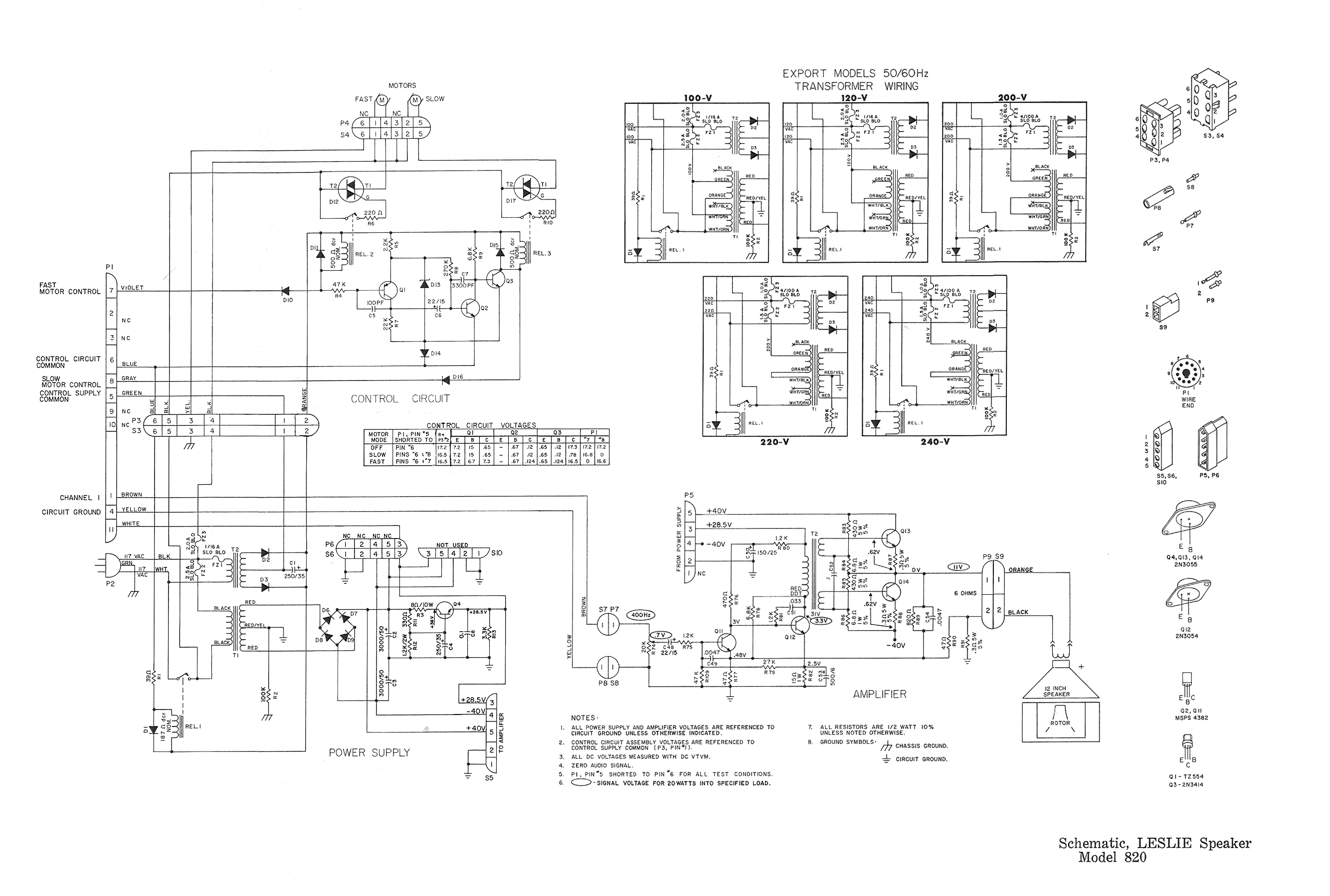
LESLIE MODEL 820

 

Leslie 820 was bedoeld om met de juiste pre-amp portable orgels en keyboards te versterken.
Deze Leslie had alleen een onderrotor met één breedband-speaker en klonk dus ook wat matter dan z'n grotere broers, die wel een bovenrotor/horn tweeter bezaten.
In tegenstelling tot de algemene type aanduidingen was het type-nummer láger, want het
is de 11-pins versie van de 825.

Qua meubel een mooie Leslie maar het elementaire deel ontbrak, nl de bovenhoorn rotor.
Om die reden heb ik deze Leslie nooit met verve aanbevolen: met een klein beetje meer financiele inspanning had je een Leslie met bovenrotor en zo hoort het toch.
(Deze opmerking geldt overigens mijnerzijds - AvdB - voor alle Leslies met enkele rotor en zonder versterking. Dan maar liever even doorsparen en uiteindelijk een Leslie met upper en lower rotor aanschaffen)

  • Height 31 inches.
  • Width 25 inches.
  • Depth 19 inches.
  • Has 1 rotor and 1 speaker.
  • Accepts 1 channel from the source.
  • The amp. provides 60 Watts of RMS power.
  • An 11 pin connector:
    1. Audio Signal Hot
    2. No Connection
    3. No Connection
    4. Audio Ground
    5. Control Supply Common
    6. Control Circuit Common
    7. Fast Motor Control
    8. Slow Motor Control
    9. No Connection
    10. No Connection
    11. 29 VDC for control head
  • Leslie recommends it for use with Single channel organs.
  • Has an internal Pre-amp.
  • Has a normal wood cabinet.