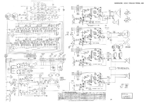
LESLIE MODEL 600

 

Model 600 werd ontworpen als "universeel" model, welke met de juiste kit op meerdere merken aangesloten kon worden.
Het meubel is uitgevoerd in de bekende "Decorator-stijl".
Deze box bezit één rotary en 2 strakke kanalen.
Er werden ook exemplaren gebouwd met een "space-generator" om zgn. "Multi-Rank" effecten op te wekken. Ook was de box zodanig gebouwd, dat deze uitgebreid kon worden met een extra speaker op één van de auxilary kanalen.
De documentatie spreekt hier over "Pipe Speakers" die werden gemaakt door de Conn Organ Company voor de Conn modellen.

 

Specificaties

  • Height 31 inches.
  • Width 44 inches.
  • Depth 20 inches.
  • Has 2 rotors and 6 speakers.
  • Accepts 3 channels from the source.
  • The amp provides 150 Watts of RMS power.
  • A 9 pin connector:
    1. Audio Ground
    2. Flute/Tibia audio
    3. Electronic Tremolo audio
    4. Pedal/Bass audio
    5. 29 VDC for control head
    6. Speed control DC, ground to select Slow
    7. Tibia Tremolo DC control
    8. AC Power Hot
    9. AC Power Return
  • Leslie recommends it for use with Various Multi Channel models.
  • Has a Space Generator audio processor.
  • Has a wood cabinet.

     

     


         

  •  

     HIER is een prachtige video-uitleg te zien.