LESLIE MODEL 760

 

De Leslie 760 is een zeer beroemd model dat veel verkocht is in de Lage Landen.
Deze Leslie 760 is de natuurlijke partner van de X-5, (foto hieronder) en andere portables, maar ook voor andere Hammonds, die van fabriekswege voorzien waren met een 9 pin Leslie. Dit model 760 is een 1 kanaals Leslie, die beschouwd kan worden als een transistor versie van de 122 en 147. Piano en dergelijke geluiden als die op Aurora's, Monarch, Grandee en Concorde en dergelijke worden dus niet weergegeven via een 760 serie speaker. Dan heb je een 710 nodig, die wel twee kanalen is.
Deze Leslie klinkt ook heel erg goed op een A 100 en een M 100 omdat men dan de mogelijkheid heeft individueel hoog en laag af te regelen. Het is dus niet perse noodzakelijk - in tegenstelling tot wat wel beweerd wordt - dat een A 100 of een M 100 perse een buizen Leslie moet hebben.

 


                                                         De X-5


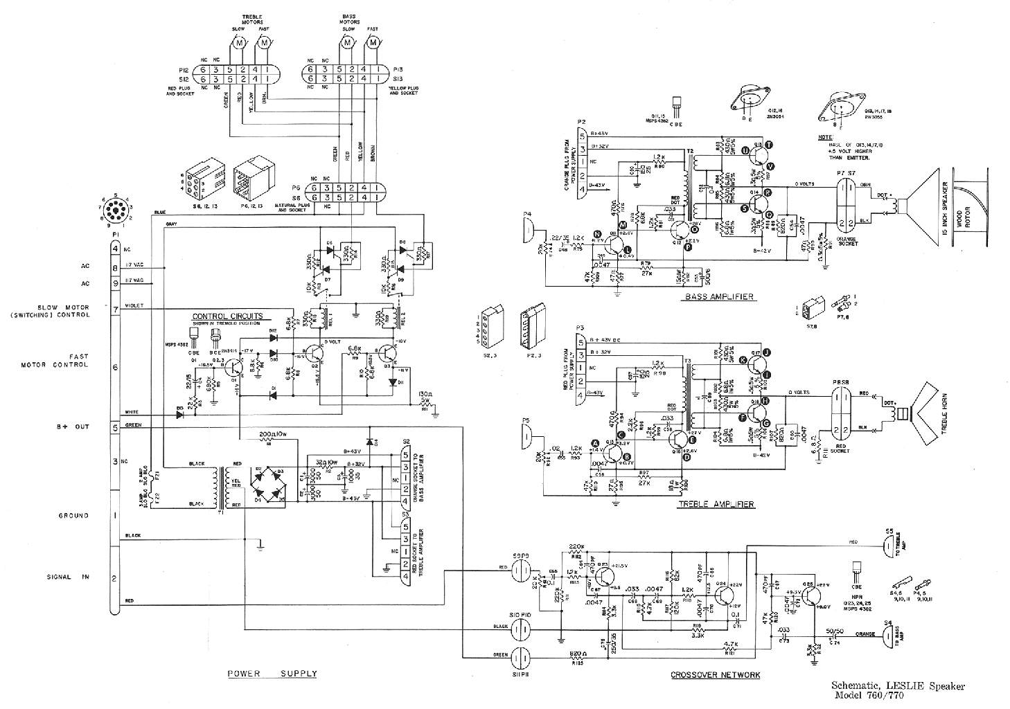
De inwendige opbouw van de 760 serie kan vrijwel geheel vergeleken worden met de opbouw van een 122 en 147, zij het dat er een transistor versterker gebruikt werd in plaats van buizen. 

In de praktijk is het wel geregeld een probleem gebleken, dat de 9 pin Leslie plug vaak fragiel bleek. Het gebeurde nogal dat bij optredens de overenthousiaste menigte op een Leslie kabel stapte en dan had je niet alleen de mensen op de dansvloer maar ook de poppen aan het dansen. Wanneer de middenste geleidepen van de 9 pin plug er uit was gebroken, hetgeen nogal veelvuldig gebeurde, dan ontstond vaak kortsluiting doordat 220 op verkeerde aansluitingen kwam te staan. Dat betekende soms het einde van het orgel, maar meestal van de Leslie.

Om die reden ben ik altijd gereserveerd geweest met deze 9 pin Leslies en heb ik deze altijd laten voorzien van professionele pluggen, die dat risico niet hadden (Zie ons club orgel A 122, waar nu professionele connectoren op zitten)

  • Height 43 inches.
  • Width 28 inches.
  • Depth 23 inches.
  • Has 2 rotors and 2 speakers.
  • Accepts 1 channel from the source.
  • The amp provides 90 Watts of RMS power.
  • A 9 pin connector:
    1. Audio Ground
    2. Flute/Tibia audio
    3. No Connection
    4. Main/Stationary audio
    5. No Connection
    6. Fast Motor Control
    7. Slow Motor Control
    8. AC Power Return
    9. AC Power Hot
  • Leslie recommends it for use with Combo and Professional equipment.
  • Has an internal Pre-amp.
  • Has a tolex covered portable style cabinet.

 

 

 

 



Let op:
serienummerplaat van model gemaakt in Pasadena, Californië, USA





Hier een serienummerplaatje van een in
Middlesex Engeland gemaakt exemplaar

 


Hieronder: latere modellen 760 hadden een geheel zwarte uitvoering, 
waarbij de zilverkleurige stootstrips werden vervangen door zwarte stootstrips

Hieronder: deze unieke 760 in eiken is waarschijnlijk door een 
overenthousiate particulier omgebouwd naar een houten uitvoering.
Veel particulieren hebben zich met meer of minder esthetisch succes 
bezondigd aan de ombouw van met name vinyl Leslies.
Vastgesteld kan worden dat dergelijke experimenten een negatieve 
invloed hebben op de waarde van de betreffende box. 

Video van een M-100 op een 760:
https://www.youtube.com/watch?v=QX0w_SmMjCM&feature=related

 

Hier nog een "londense"houten 760: