LESLIE MODEL 770

De Leslie 770 is een zeer beroemd model en is zeer frequent verkocht in de Lage Landen.
Deze Leslie 770 is de natuurlijke partner voor Hammonds, die van fabriekswege voorzien waren met een 9 pin Leslie. Dit model 770 is een 1 kanaals Leslie, die beschouwd kan worden als een transistor versie van de 122 en 147. Piano en dergelijke geluiden als die op Aurora's, Monarch, Grandee en Concorde en dergelijke worden dus niet weergegeven via een 770 serie speaker. Dan heb je een 710 nodig, die wel twee kanalen is.
Deze Leslie klinkt ook heel erg goed op een A 100  en een M 100 omdat men dan de mogelijkheid heeft individueel hoog en laag af te regelen. Het is dus niet perse noodzakelijk - in tegenstelling tot wat wel beweerd wordt - dat een A 100 of een M 100 perse een buizen Leslie moet hebben.

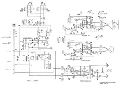
De inwendige opbouw van de 770 kan vrijwel geheel vergeleken worden met de opbouw van een 122 en 147, zij het dat er een transistor versterker gebruikt werd in plaats van buizen.

In de praktijk is het wel geregeld een probleem gebleken, dat de 9 pin Leslie plug vaak fragiel bleek. Het gebeurde nogal dat bij optredens de overenthousiaste menigte op een Leslie kabel stapte en dan had je niet alleen de mensen op de dansvloer maar ook de poppen aan het dansen. Wanneer de midden geleide pen van de 9 pin plug er uit was gebroken, hetgeen nogal veelvuldig gebeurde, dan ontstond vaak kortsluiting doordat 220 op verkeerde aansluitingen kwam te staan. Dat betekende het einde van soms het orgel maar meestal van de Leslie.

Om die reden ben ik altijd gereserveerd geweest met deze 9 pin Leslies en heb ik deze altijd laten voorzien van professionele pluggen, die dat risico niet hadden (Zie ons club orgel A 122, waar nu professionele connectoren op zitten)

  • Height 41 inches.
  • Width 29 inches.
  • Depth 21 inches.
  • Has 2 rotors and 2 speakers.
  • Accepts 1 channel from the source.
  • The amp provides 90 Watts of RMS power.
  • A 9 pin connector:
    1. Audio Ground
    2. Flute/Tibia audio
    3. No Connection
    4. Main/Stationary audio
    5. No Connection
    6. Fast Motor Control
    7. Slow Motor Control
    8. AC Power Return
    9. AC Power Hot
  • Leslie recommends it for use with Single-Channel organs.
  • Has an internal Pre-amp.
  • Has a wood cabinet.

 

 

 



T model met een 770 en een Combo preamp 9370 voor een 9 pin Leslie

In dit filmpje is niet erg veel te zien, maar dés te meer goed te horen,
 hoe (soms ellendig) lang het duurde tot deze baas "op gang"was:
https://www.youtube.com/watch?v=0xi9kvDerMA