Dit model was eigenlijk uitsluitend bedoeld voor de gebalanceerde output van een Wurlitzer Console-model.
Deze box kon echter met een "Console Connector Kit" (zie foto beneden) ook op veel andere merken aangesloten worden.
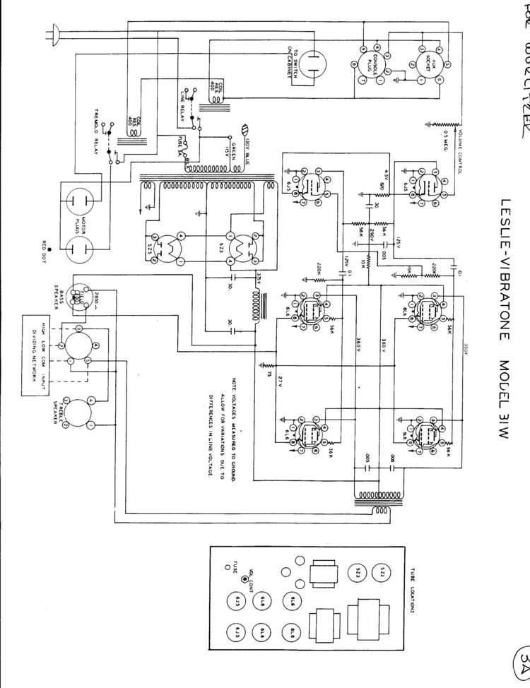
In vergelijk met latere cabinetten, had de 31 W een ELECTRO-DYNAMISCHE speaker,
hetgeen betekent dat de 15" woofer geen permanente magneet had, zoals tegenwoordig bij speakers gebruikelijk is. Deze speaker had één grote draadspoel, die als magneet werkte en deze spoel was op zodanige manier gewonden, dat hij ook als "filter choke" diende voor de versterker-voeding.
Amplifier Type 1 Channel Vacuum Tube
Output Power 35 watts
Drum 1 - 15" Speaker
Horn 1 - Compression Driver
Speeds 1 Speed (Stop/Tremolo)
Interface 6 Pin Balanced
Op deze website plaatsen we cookies die de website goed laten werken of anoniem het gebruik van onze website analyseren.
We plaatsen geen cookies waar u toestemming voor moet geven. Meer informatie vindt u in onze privacyverklaring of geef akkoord en sluit deze melding.