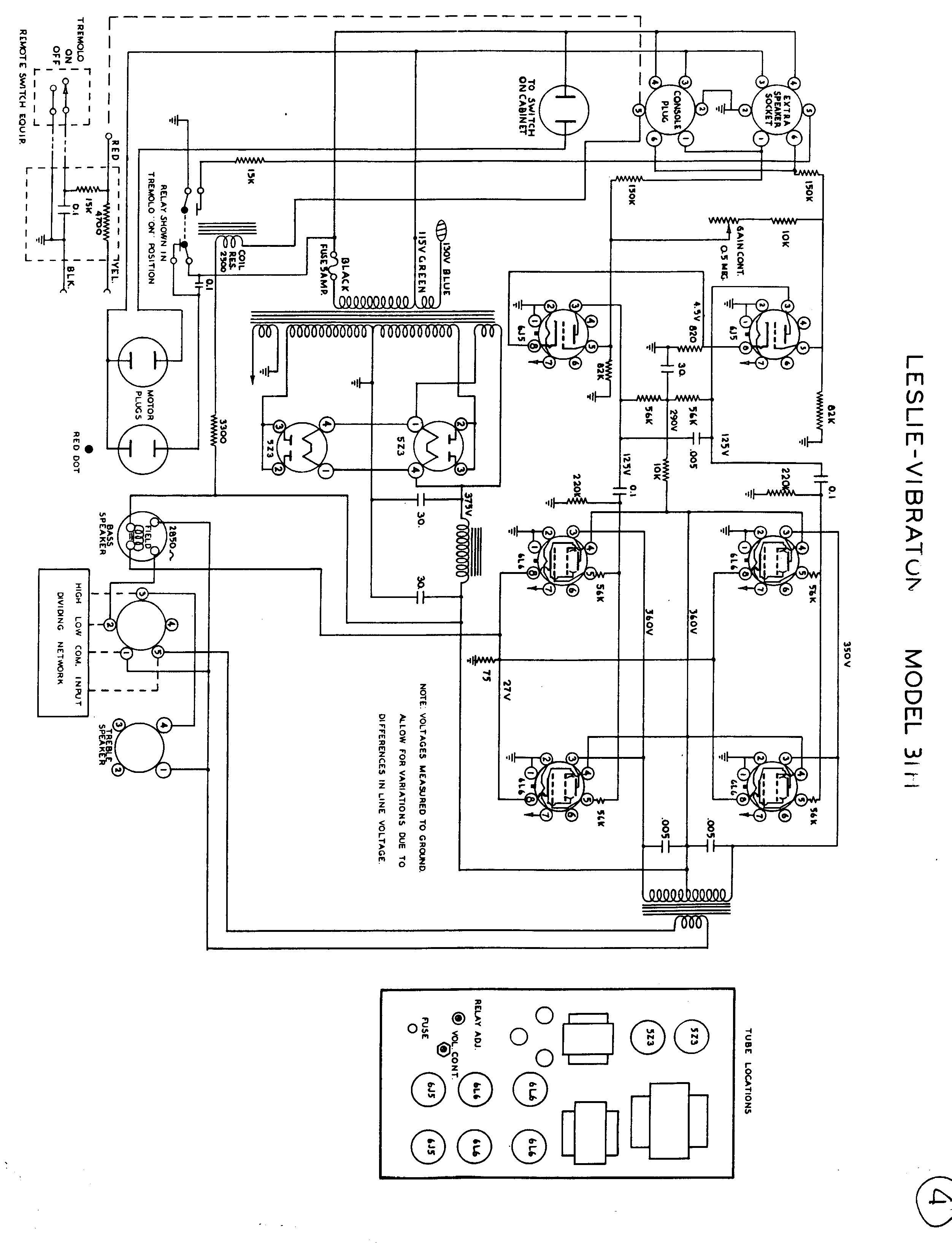
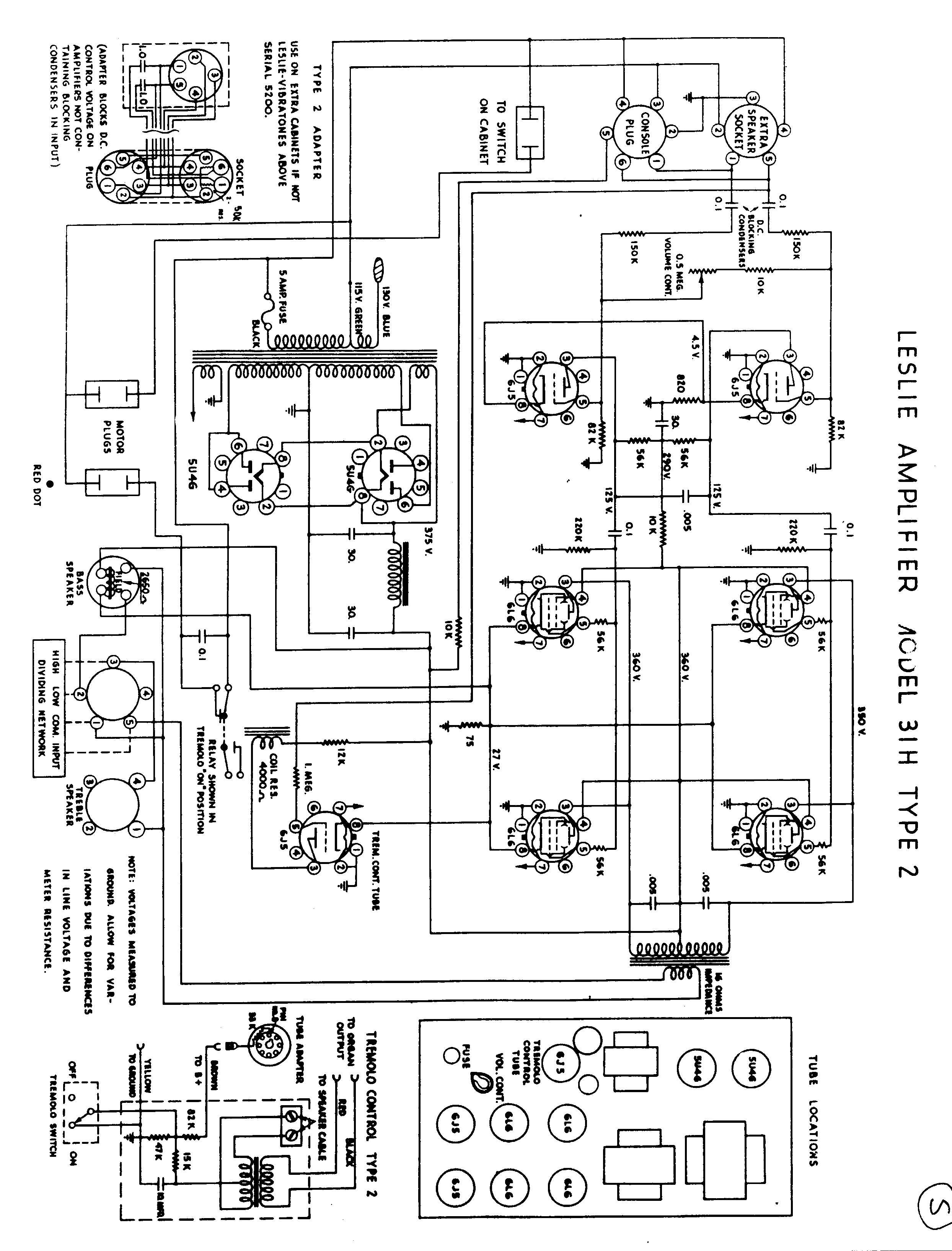
Ook dit model was eigenlijk uitsluitend gemaakt voor de gebalanceerde output van een Hammond "G-G" (bijv. model B of C) In principe weinig anders dan de 31 A, op een paar kleine amp modificaties na. Op dit moment (1950) werd door de fabriek een letter toevoeging geintroduceerd, nl. H voor Hammond, W voor Wurlitzer en C voor Conn.
In vergelijk met latere cabinetten, had de 31 H nog een ELECTRO-DYNAMISCHE speaker. Dit betekent, dat de 15" woofer geen permanente magneet had, zoals speakers tegenwoordig hebben, maar één grote draadspoel, die als magneet werkte (zie foto's hier onder). Deze spoel was op zodanige manier gewonden, dat deze ook als filter choke diende voor de versterker voeding.
Amplifier Type 1 Channel Vacuum Tube
Output Power 35 watts
Drum 1 - 15"
Speaker Horn 1 - Compression Driver
Speeds 1 Speed (Stop/Tremolo)
Interface 6 Pin Balanced
Height 61 inches.
Width 27 inches.
Depth 22 inches.
Has 2 rotors and 2 speakers.
Accepts 1 channel from the source.
The amp provides 30 Watts of RMS power.
A 6 pin connector: G-G Signal Black
Audio Ground
AC Power
Return AC Power
Hot No Connection
Preamp B+
G-G Signal Red
Leslie recommends it for use with Hammond.
Has a warm-toned vacuum tube amp.
Has a wood cabinet.
Hieronder een prachtige B3 met een 31H.
Mooi restauratie project: https://www.youtube.com/watch?v=xsoMfhFY6ek
Hieronder tot slot een 31H SHORT. Het is niet bekend of dit model ooit door Leslie geleverd is of een privé-verbouwing is.
Hieronder weer de originele Tall-Boy.
Op deze website plaatsen we cookies die de website goed laten werken of anoniem het gebruik van onze website analyseren.
We plaatsen geen cookies waar u toestemming voor moet geven. Meer informatie vindt u in onze privacyverklaring of geef akkoord en sluit deze melding.