De Hammond B-3000 deed bij zijn komst en lang daarna veel stof opwaaien. Eindelijk weer een "B". Oké, géén toonwielen, géén buizen, maar ... Wel een 400 Watt Leslie met voor het eerst toonregeling op de Leslie-box zowel voor Rotary als Main kanalen. De Leslie kon met een voetschakelaar omgeschakeld worden van langzaam naar snel, hetgeen zeer op prijs werd gesteld.
Voor wat betreft de Leslie was er gelukkig wel de Leslie On Reverb schakelaar (een zg. visoog schakelaar op het rechter onder bakstuk) net boven de reverb volume regelaar. Met deze Leslie on Reverb werd de nagalm in plaats van het strakke kanaal over de rotors weergegeven. En zo hoort het volgens velen, of men moet de keuze hebben, want Piano en Leslie on Reverb is net niet helemaal je dat, door het waaierende geluid van de galm.
Er was een keyclick generator ingebouwd alswel een audio-input over strakke kanalen, een aangename mogelijkheid om te transponeren en het gewicht was ietsje minder, alhoewel sjouwen met deze instrumenten toch wel problematisch bleef louter door de omvang.
De koperen ringetjes om de poten van het orgel en om de Leslie-hoeken waren een kwestie van smaak en werden door de ene eigenaar wel en door de andere eigenaar niet verwijderd.
De B-3000 kreeg later de beschikking over een optioneel klavierdeksel, hetwelk naast het orgel gezet moest worden indien men wilde spelen. Met een deksel dicht is musiceren enigszijns problematisch nietwaar, maar waar laat je het deksel steeds, want het kon niet opgeklapt worden....
De specificaties staan op de achterkant van de folder:
Folder voorzijde:
Folder binnenzijde
Hier dan de Nederlandse folder:
De geribbelde poten van de B-3000 grepen eigenlijk weer terug naar de zgn. "Fluted-leggs"welke in het verre verleden bij een aantal modellen al gebruikt werd,zoals de M111 maar ook bij de Novachord
Hieronder een front aanzicht
Dit was het rechtergedeelte, met de traditionele 2e en 3e percussion, piano's en keyclick.
Hier het linkerdeel met de presets, Leslie en Vibrato, traploze Sustain en de Transposer
Een gouden tip, indertijd door Aart van de Beek, was, dat je de transpose op -2 (=Bes) moest zetten. Gek genoeg klonk het orgel dan veel lekkerder.
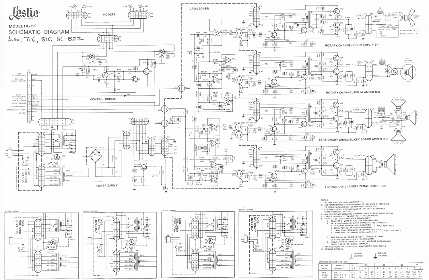
Voor de B-3000 werden de HL 422 en de HL 722 11-pin Leslie boxen ontworpen met dezelfde koperen sierringetjes en "fluted-leggs" als het orgel. Het inwendige van vernoemde Leslies was overigens indentiek aan de modellen 715, 815 en HL822.
De lagere versie HL422, net als vroeger in vergelijk met de 142 en de 145.
En nog even een leuke wetenswaardigheid: De Leslie HL422 in de hieronder getoonde huiskamer was tot zijn overlijden in 2002 de privé-Leslie van Mr.Don Leslie zelve. De box is nog net te zien op de foto en diende ter versterking van zijn zwarte privé B-3.
Overigens was zowel de 415 als de 422 niet ieders favoriete Leslie, want er was maar één besturing met één enkele motor voor de onder rotor en één voor de boven rotor. In tegenstelling tot de gewone Leslies waar voor elke rotor twee motoren waren: een langzame en een snelle.
Bij de 415 en de 422 werd om de langzame stand te realiseren, de motor heel snel repeterend aan en uitgezet. Daardoor was de langzame chorale snelheid rumoerig en niet echt gelijkmatig. Bovendien was de Rotosonic minder betrouwbaar, want de zg. Mercotacs (kwikcontacten, die nog wel leverbaar zijn maar niet meer gemaakt mogen worden vanwege de toepassing van kwik) waren na enige tijd stilstand niet echt meer betrouwbaar en je kon ze ook nauwelijks gangbaar maken, noch repareren. Bovendien zal het niet de eerste keer zijn dat het geheel van as en Mercotac problemen gaf in de overbrenging. Kapotte Mercotac en afgebroken contacten in de Leslie as. Dat laatste was een prijzige toestand en er dient dan ook heel zorgvuldig met de as omgesprongen te worden, alhoewel dat woord in dit verband iets te uitbundig is.
De Mercotacs werden overigens aangeleverd door een zoon van Don Leslie.
Beide Leslies 415/422 hadden daarom ook technisch dezelfde specs:
Amplifier Type Solid State
Output Power 140 Watts total (RMS)
Drum Rotosonic
Horn 1 - Compression Driver
Speeds 3 Speed (Chorale/Stop/Tremolo)
Interface 11 Pin
Met hier het schema:
Om nog even op het orgel te komen. Ondanks dat de klankopwekking volledig elektronisch was, kon men toch spreken van een eigen karakter en heeft dit instrument menigeen (ook ondergetekende) voorzien van vele, vele uren speelplezier!
Hier nog even wat fraaie filmpjes: Barbara Dennerlein "Full Throttle" op de B-3000:
https://www.youtube.com/watch?v=q1OMfYb94FA&feature=related
Met wat minder vuurwerk, een grondige Engelse uitleg van het instrument:
Op deze website plaatsen we cookies die de website goed laten werken of anoniem het gebruik van onze website analyseren.
We plaatsen geen cookies waar u toestemming voor moet geven. Meer informatie vindt u in onze privacyverklaring of geef akkoord en sluit deze melding.