Stel je voor, je bent dirigent of dirigent/begeleider van een 4-stemmig zangkoor.
Als je dan "life" 4-stemmig meespeelt met het koor, zoals de organist op de foto,
dan is het voor elk individuele koorlid afzonderlijk, best moeilijk zijn eigen zang-partij daaruit te filteren.
Hiervoor vond Laurens Hammond (let op, het is 1941!) een lumineuze oplossing:
"The Hammond Quartet-organ"
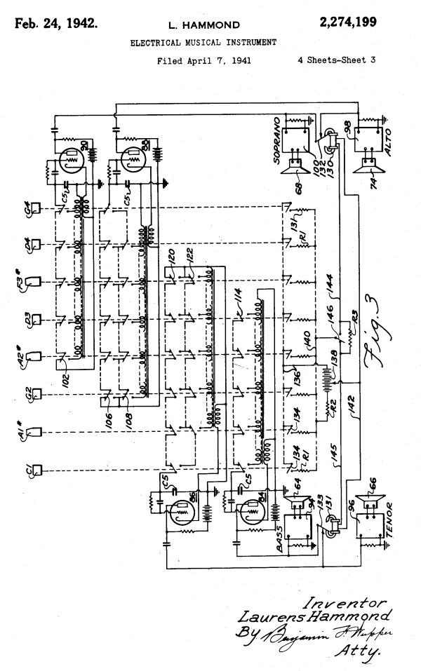
Het koor werd opgedeeld in vier groepen, voor elke stem één, dus een sopraan, alt, tenor en bas-groep.
Elke groep had een "eigen" luidspreker voor zich: die van de sopranen en de alten stond op een standaard. De speakers voor de tenoren en de bassen waren aan weerszijden in het orgel verwerkt (op afb. 1 kun je duidelijk een Solovox Speaker onderscheiden, die Hammond in het patent had verwerkt. Deze laatst genoemde speakers konden eventueel ook van het orgel verwijderd worden,voor een grotere klankspreiding)
Maar nu komt het werkelijk lumineuze van het geheel :
Het Quartet Organ deelde het 4-stemmige akkoordenspel van de organist zelfstandig en automatisch op in één van de vier partijen en stuurde deze vervolgens door naar de bewuste luidspreker, zodat elke stem zijn eigen te zingen melodie hoorde!
Het patent beschrijft ook de mogelijkheid om per partij de klankkleur, attack, decay en zelfs het volume te kunnen regelen en eventueel het geheel te voorzien van een voetpedaal, die dan de baspartij naar de betreffende speaker zou sturen.
Als je het patent doorleest, kom je nog wel op één probleem: wat, als er tijdens het spelen ineens maar één, twee of drie stemmen hoorbaar moeten zijn?
Hiervoor had Hammond speciale schakelaars bedacht, die echter wel een flink stuk vaardigheid van de organist eisen.
Maar Hammond bedacht alles wel dusdanig grondig, dat het uiteindelijk zou moeten werken.
Het is niet bekend of er naast het patent (hetwelk hieronder volgt) werkelijk een werkend exemplaar gebouwd is. In ieder geval is het Hammond Quartet organ nooit in productie genomen.
Waarom vermelden we deze uitvinding? We spreken over 1941 terwijl we hedentendage een zeer kundige computerprogrammeur nodig zouden hebben om dit systeem zelfs in deze tijd werkend te krijgen!
Hier dan het unieke patent:
De grote ,vierkante knoppen boven de toetsen (hieronder)
zijn de registers,en zijn duidelijk geleend van de Hammond Solovox.
(hieronder de bedoelde knoppen op de Solovox:)
Op deze website plaatsen we cookies die de website goed laten werken of anoniem het gebruik van onze website analyseren.
We plaatsen geen cookies waar u toestemming voor moet geven. Meer informatie vindt u in onze privacyverklaring of geef akkoord en sluit deze melding.