LESLIE MODEL 225

 

De Leslie 225 is gebaseerd op de Leslie 125 maar nu in de bekende "Decorative" stijl uitgevoerd. Dus de specs. zijn identiek aan de 125 alleen het meubel is anders.

Qua meubel een mooie Leslie maar het elementaire deel ontbrak, nl de bovenhoorn rotor.
Om die reden heb ik deze Leslie nooit met verve aanbevolen: met een klein beetje meer financiele inspanning had je een Leslie met bovenrotor en zo hoort het toch.
(Deze opmerking geldt overigens mijnerzijds - AvdB - voor alle Leslies met enkele rotor en zonder versterking. Dan maar liever even doorsparen en uiteindelijk een Leslie met upper en lower rotor aanschaffen)

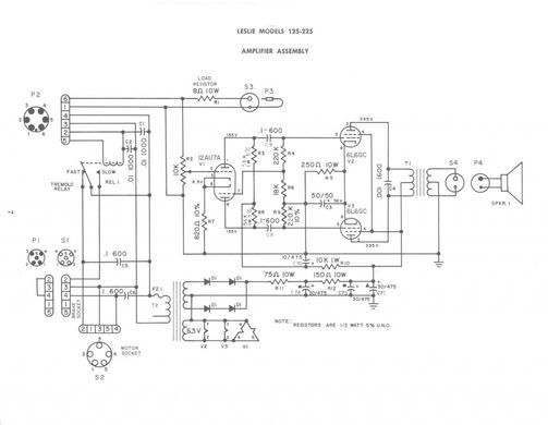
Amplifier Type 1 Channel Vacuum Tube
Output Power 20 Watts
Drum 1 - 12" Speaker
Horn None
Speeds 2 Speed (Chorale/Tremolo)
Interface 6 Pin Unbalanced 

  • Height 28 inches.
  • Width 36 inches.
  • Depth 19 inches.
  • Has 1 rotor and 1 speaker.
  • Accepts 1 channel from the source.
  • The amp provides 20 Watts of RMS power.
  • A 6 pin connector:
    1. Audio Ground
    2. Tremolo Control AC
    3. AC Power Return
    4. AC Power Hot
    5. Tremolo Control AC
    6. Audio Signal Hot
  • Leslie recommends it for use with most spinets.
  • Has a warm-toned vacuum tube amp.
  • Has a decorator styled cabinet.

 

 

 



M  102 met 225 box

Amp binnenzijde